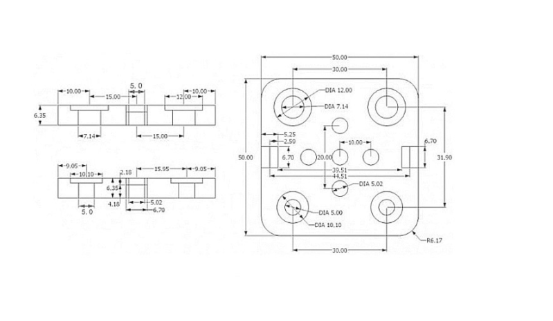
Kit axa X imprimanta 3d pentru V-Slot 20x20mm cu role mici OPENBUILDS. Util in fixarea capului de printare pe axa X.
Metoda de plata:

Durata de livrare: 1-2 zile lucratoare
Kit axa X imprimanta 3d pentru V-Slot 20x20mm cu role mici OPENBUILDS. Util in fixarea capului de printare pe axa X.
Contine:
- 4 role mici OPENBUILDS (grosime 9mm, gaura interioara 5mm, diametru ext 15.5mm)
- placa aluminiu de fixare 50x50mm
- 4 suruburi cu piulite pentru fixare
- 2 piulite excentric
- 2 distantieri
- 2 saibe cupru
Tip componente 3D:: Role imprimanta 3D, Cap printare imprimanta 3D