Placa de testare / adaptor modul ESP32 ESP8266
Metoda de plata:

Durata de livrare: 1-2 zile lucratoare
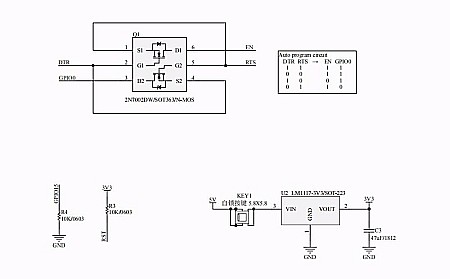
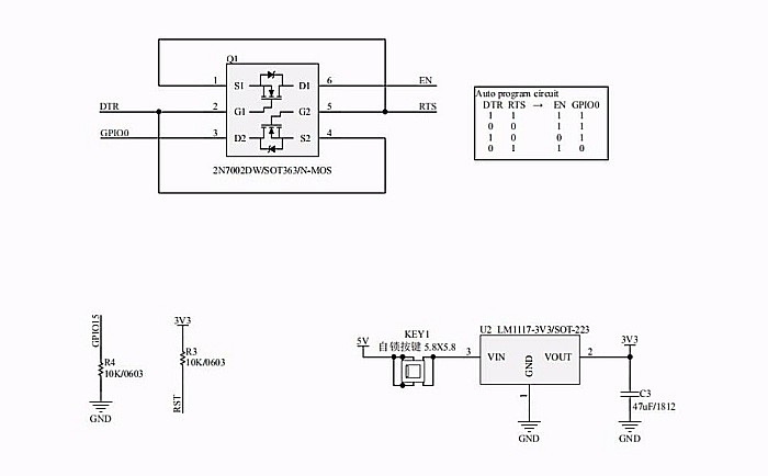
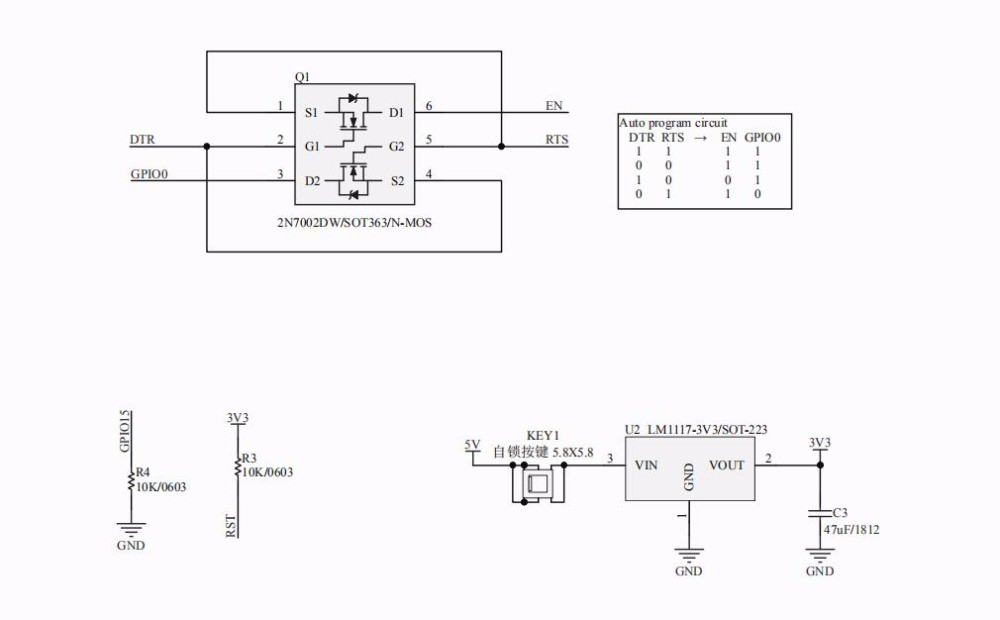
Placa de testare si programare pentru microcipuri tip ESP32 ESP8266 cu buton separat pentru programare si led albastru pentru semnalizarea progamarii
Tensiune alimentare: 5V